Valvijet ouvre une nouvelle voie dans le moteur thermique, omniprésent à l’échelle mondiale, à un moment où l’efficacité énergétique est devenue vitale. Nous sommes à votre disposition pour répondre à vos questions et pour étudier toute proposition de contribution à son développement. La priorité est donnée aux ingénieurs motoristes, constructeurs automobiles, équipementiers, laboratoires de recherche et, plus largement, à toute entité impliquée dans l’innovation moteur.
Pour celles et ceux qui souhaitent explorer, de manière strictement privée, les différentes formes d’implication possibles autour du projet, nous sommes disponibles pour un échange confidentiel (*).
(*) Les informations partagées via ce formulaire ne constituent en aucun cas une offre au public ou une sollicitation d’investissement. Toute demande sera traitée individuellement, dans un cadre strictement privé.
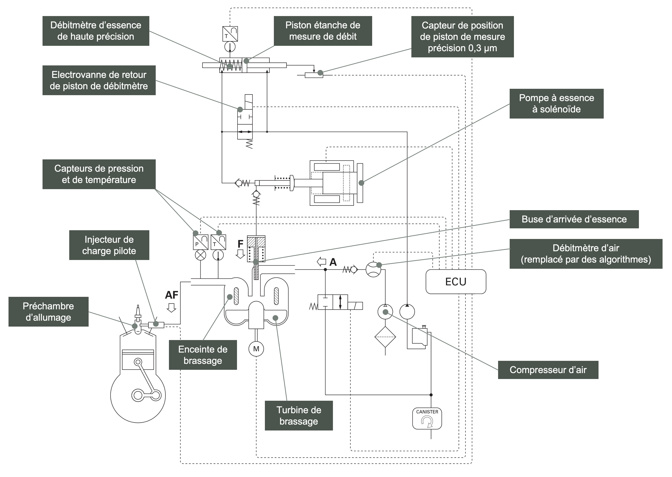
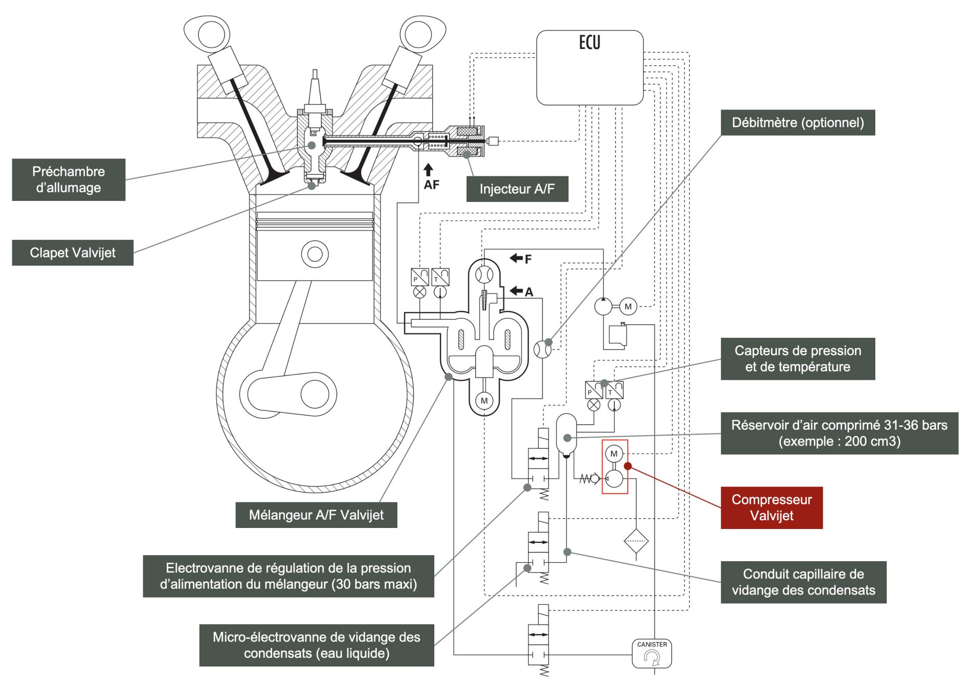
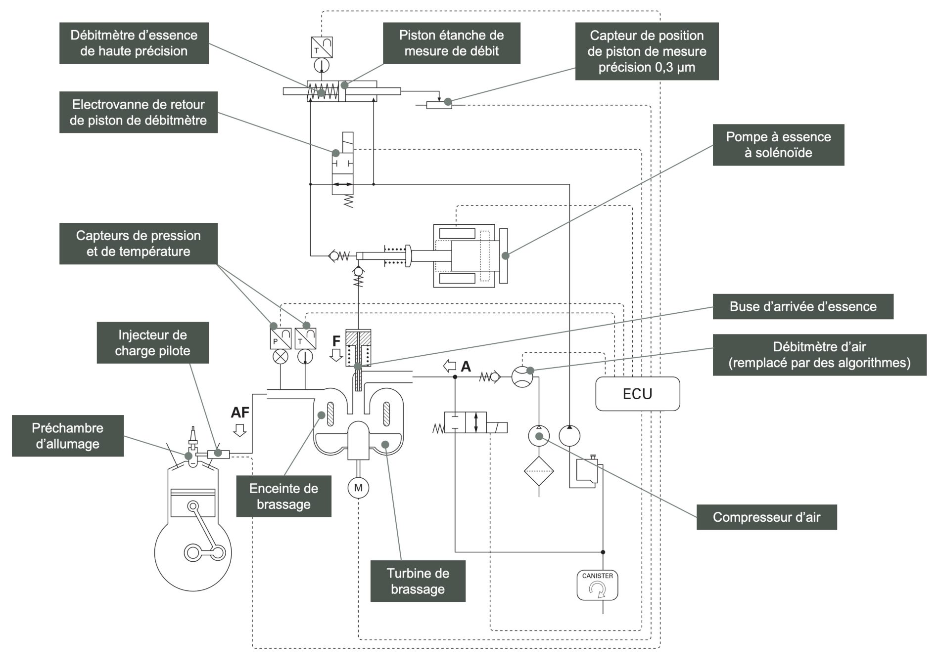
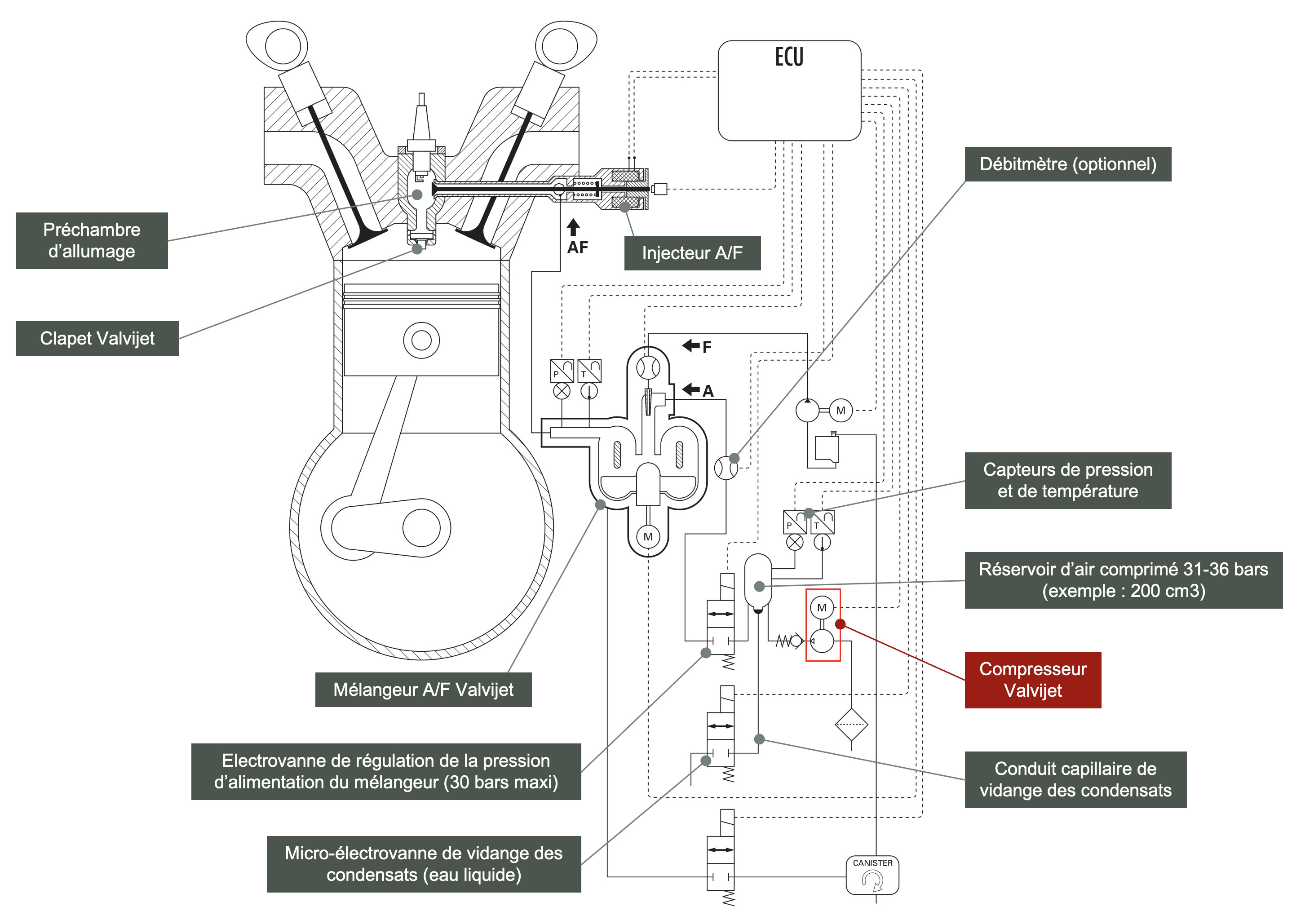
Les images, schémas et vidéos publiés sur ce site sont mis à disposition sous licence Creative Commons CC0 - Domaine public. Vous pouvez les copier, modifier, distribuer et utiliser librement, pour tout usage, y compris commercial, sans autorisation préalable ni obligation d’attribution (*).
(*) Plus de précisions dans la section « mentions légales ».
